
The 48VDC200A ESB rectifier systems have been specifically customized for the retrofit project of telecom base station system in South America. This robust systems provides essential power to the equipment within the stations, ensuring uninterrupted operation even in challenging conditions. Thereby enhancing the stability of communication services.

The system overview
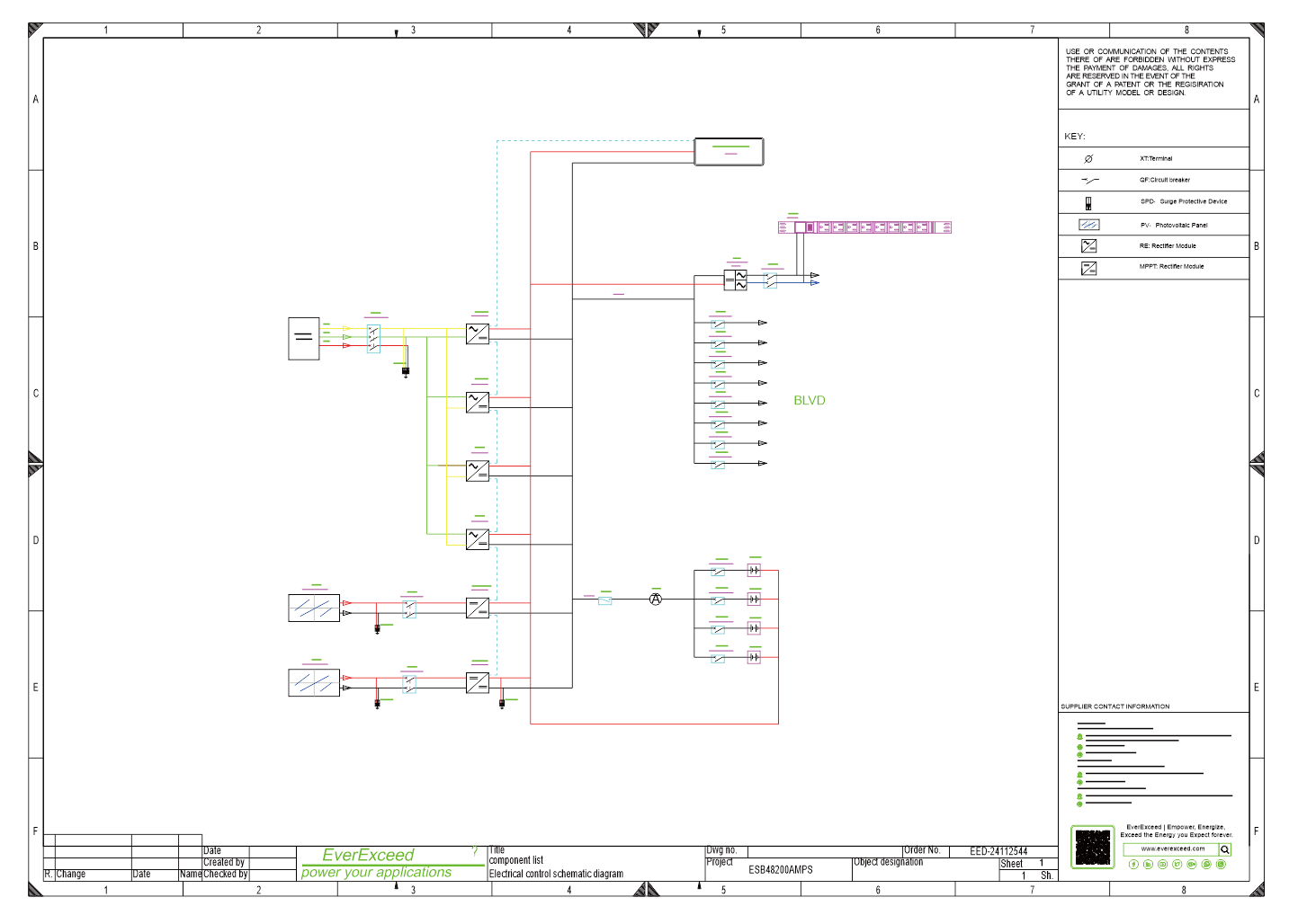
The customized ESB series telecom rectifier systems are designed with the concept of an "integrated multi-functional base station power system." It is including the rectifier module, solar MPPT module, inverter, lithium battery, monitoring module, PDU (Power Distribution Unit), and base station cabinet into a single platform.
| General specification | General specification | |
| Model | ESB48VDC200A | ![]() |
| Operation Temperature | -10°C to +45°C | |
| Storage Temperature | -25°C~70°C(excluding batteries) | |
| Relative Humidity | 5%~95% RH(no condensation of moisture) | |
| Altitude | 2000m Max without derating | |
| Cooling Fan | 21W*2 | |
| IP rating | IP20 | |
| Dimension(mm) | W600*D900*H2000 | |
Design highlight
All in One: The cabinet is highly integrated. It is particularly well suited to the needs of communications networks that require rapid deployment, efficient operation and flexible expansion.
Circuit Breaker Monitoring Design: Integrates multiple protection mechanisms (overload, short-circuit, under voltage) to monitor circuit breaker status and parameters in real-time. Supports remote management to detect potential faults early.
Multi-Power Distribution Design: Combines DC power, bidirectional battery, and PV distribution, all equipped with surge protection. DC distribution includes BLVD to prevent battery over-discharge, extending battery life.
Hot-Swappable Module Design: 1U hot-swappable modules support online hot swapping, ensuring continuous power supply to the battery and load. Modules feature intelligent current sharing, redundancy backup, and flexible output power adjustment.
Centralized Monitoring System: Built-in FSU monitoring system with B/S architecture supports network access. Centrally monitors rectifier modules, PV MPPT modules, inverters, and lithium batteries, offering a rich user interface and interactive experience.
Voltage Surge Protection Design: Equipped with AC SPD, PV SPD, and DC SPD (surge protectors), with hot-swappable fuses for easy replacement, effectively protecting equipment from lightning and power frequency transient over voltage.
scan to wechat:everexceed
